CCC Control Software
Purpose built turbomachinery control systems for maximum performance and reliability.
CCC Pro Built Control Software
Our Control Software applications offer integrated solutions for managing and optimizing turbomachinery processes. With features like antisurge control, performance control, and load-sharing, CCC’s algorithms ensure your equipment operates at peak efficiency and safety. Our software is engineered for seamless integration, reducing complexity while maximizing control over critical machinery.
DRIVEN EQUIPMENT

Compressors
Antisurge Control
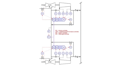
CCC Antisurge Control application protects the compressors from surge while minimizing recycle and energy consumption. Feed-forward control responses and muti-variable control allows to maximize the operating envelope and production capacity.
Learn More

Compressors
Performance Control
CCC Performance Control application modules compressor performance to control and limit process variables around the machine. Coordinated control with other applications provides proven load-sharing solutions for networks of parallel or series compressors.
Learn more

Compressors
Quench Control
CCC Quench Control application modules the multi-phase gas/liquid quench flow to provide the correct amount of cooling and control temperature in the recycle line. Built-in saturation curves of the refrigerant allow precise control to prevent heat build-up, as well as prevent liquid accumulation.
Learn More

Generator
Generator Control
CCC Generator Control application provides isochronous or droop control for industrial generator units connected to the local bus and utility grid. Fast reaction to breaker trips minimizes impact on the local bus.
Learn More

Steam Turbine
Speed Control
CCC Speed Control application precisely regulates the rotational speed of the steam turbine. Automated startup sequences bring the turbine online passing through warm-up conditions and critical zones in safe a repeatable way. Overspeed prevention methods minimize trips even for sudden load changes.
Learn more

Steam Turbine
Extraction Control
CCC Extraction Control application accurately maintain the pressure or flow in the steam extraction headers. Coordinated and feed-forward control with the Speed Control application simultaneously guarantee stable speed control avoiding oscillations. Single or double extraction turbines are supported.
Learn More

Gas Turbine
Fuel Control
CCC Fuel Control application typically regulates power turbine speed by varying the fuel flow. A nozzle control application may be used on some two-shaft gas turbines with a variable-position vanes to regulate exhaust gas temperature (EGT) and gas generator speed (NHP) in conjunction with a fuel control. Single-shaft, two-shafts or three-shaft gas turbines can be controlled.
Learn More

Expander
Expander Control
CCC Expander Control application provides coordinated control of the expander inlet guide vanes and Joule-Thompson valve and compressor antisurge valve for API 617 expander-recompressor or compander. It is designed to maximize expander flow and cryogenic capacity.
Learn more

Expander
Power Recovery Train Control
CCC Power Recovery Train Control application regulates the inlet guide vanes and bypass valve for the hot gas expander to maintain proper flow and pressure for the catalyst regenerator. The control application is designed to manage all sequencing and transitions between operating modes, provide multi-variable control and open-loop response to disturbances.
Learn More

Vorecon Variable Speed Coupling
Vorecon Speed Control
CCC Vorecon Speed Control application modulates the torque converter inlet guide vanes (IGVs) within the variable-speed coupler to maintain the speed of the compressor at the desired set point. During startups and shutdowns, it can also modulate the start-up coupling scoop tube within the coupler to reduce the start-up torque on the electric motor.
Learn More